
网站首页 > 专利信息
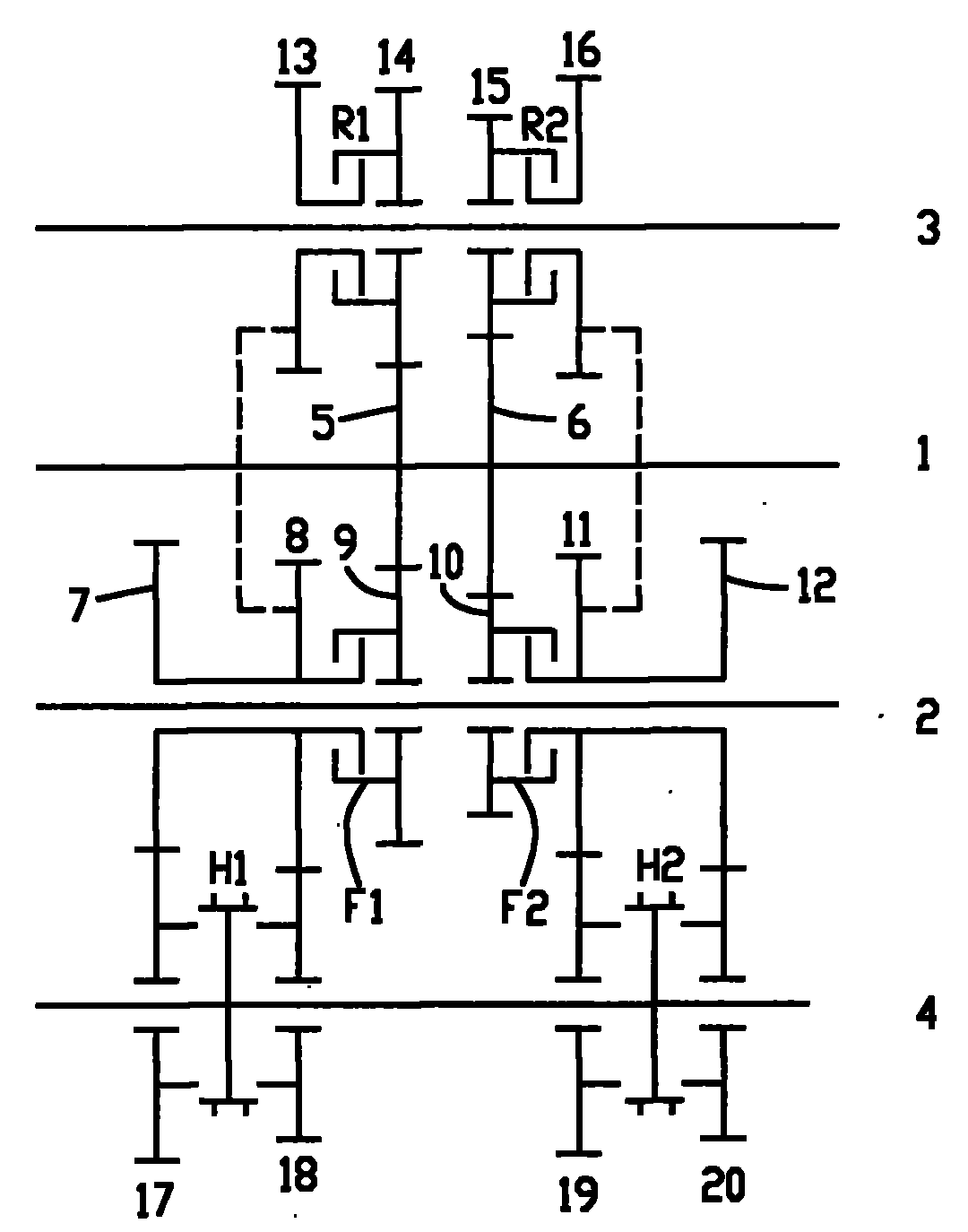
提供一种适用于工程机械的变速器,它由一根输入轴(1),一根输出轴(4),两根中间轴(2、3),四个多片式摩擦离合器(F1、F2、R1、R2),两个滑套(H1,H2),两个固定齿轮(5、6)和十四个空套齿轮(7、8、9、10、11、12、13、14、15、16、17、18、19、20)组成。它具有前进四档和后退四档,并可很容易也扩展为前五后五、前六后六、前七后七、前八后八等多种传动方式;该变速器具有传动链短、齿轮啮合次数少、传动效率高、成本低廉、档位数扩展容易等优点。
联系电话:028-87659663 028-85404682 028-85460925 邮箱:cdjz617@126.com
办公地址:四川省成都市武侯区科华街10号四川大学国家高新技术孵化平台609
成都川大技术转移集团有限公司
蜀ICP备11025552号-1
Copyright © 2007-2011 技术支持:成都网络公司-三以网络